机械制图里的贯穿和通孔是一样的吗?国产的减速机图纸上标的贯穿,而日本机器人图纸上标的通孔,到底谁标的对啊?
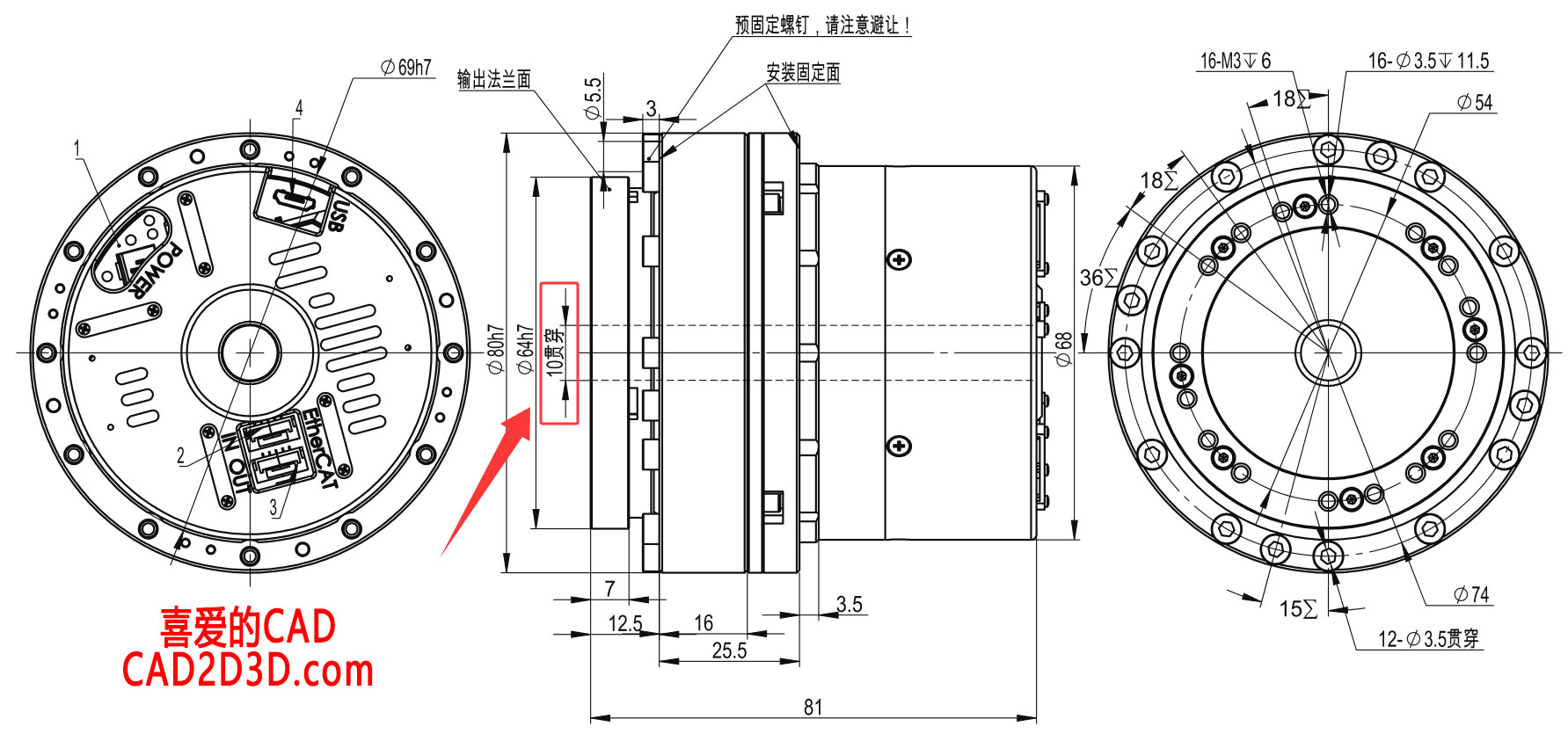
刚在看人形机器人某国产关节减速机的图纸,发现图纸上标了一个“10贯穿”,当时我就懵逼了,10前面为什么不标注直径符号φ,后面加个贯穿又是什么意思?为什么不用通孔?

随后我又找了日本FANUC机器人底座图纸,里面的螺纹孔标注“8-M20通孔” ,这种标注样式对吗?符合国标吗?

随后我查阅了 GB/T 4458.4-2003《机械制图 尺寸注法》、GB/T 16675.2-2012《技术制图 简化表示法 第 2 部分:尺寸注法》,都没有找到通孔或贯穿的说法。
在很多标准里有通孔这个词,但贯穿这个词是没有的,相对来说通孔是书面语,而贯穿则显得口语化。
结合实际案例,我发现通孔或贯穿这两个词通常出现在简化表示法的图纸上,我个人认为图纸标注通孔或贯穿属于画蛇添足,正常情况下只有盲孔才需要标注深度,而通孔无需标注深度,图纸上出现通孔或贯穿无非是绘图员心里没底为了保险而加上的。
那么问题来了,你敢在图纸上省略通孔或贯穿这两个词吗?
转载请注明:
文章作者: 尚延伟 原文链接:https://www.cad2d3d.com/post-2376.html

AspenPlusV11/12/14/15化工流程模拟远程安装HYSYS、EDR服务
水性涂料树脂合成及应用 闫福安 分子设计原理 树脂结构和性能 涂料研究开发应用管理 化学工程与工艺
Solidworks管路压力容器化工标准法兰库3D三维模型选型软件设计库 

一支太空笔,美国吹了半个世纪,当我看到太空笔内部构造和原理之后,我呵呵一笑,原来这么简单
滑片泵内部构造、原理和特点详述
日本螺钉生产现场,没想到这么落后,但成品质量让人眼前一亮
LNG 装卸臂(鹤管)高清三维效果图
焊缝符号表示法,尺寸标注方法图示,设计院出具的设计图焊缝标注实例,ISO 2553 标注示例
USB接口类型大全及对应的传输速度,Type C原来也是USB
钳子种类及对应图示,各种钳子的中英文名称对照
砂轮刀片种类及对应图示,各种砂轮刀片中英文对照
尺子种类及对应图示,各种尺子中英文名称对照
本站所有资源一键获取,含3D模型、设计软件和案例视频等
AutoCAD 2025 破解版+注册机 安装程序免费下载,附下载地址及安装教程
SolidWorks 2024 SP2.0 破解版免费下载及安装教程
发那科机器人 FANUC 离线编程 动画仿真模拟软件 ROBOGUIDE V9 免费下载