浓硫酸、盐酸鹤管(装车臂、卸车臂)的2D图纸、外形图和装配图免费下载,采用AutoCAD绘制,含DWG和PDF格式图纸。
浓硫酸、盐酸具有强腐蚀性,其鹤管及阀门材质选用碳钢内衬PTFE。
图纸属性:
- DWG格式
- PDF格式
浓硫酸、盐酸鹤管图纸下载地址:见页面底部下载地址
浓硫酸鹤管图纸预览:

图1 浓硫酸鹤管图纸预览
浓硫酸鹤管技术要求:
- 输送介质:浓硫酸
- 操作压力:0.2MPa 操作温度:40℃
- 设计压力:1.0MPa 设计温度:-40~120℃
- 外臂最大下俯角度45°
- 入口法兰标准:HG/T20615 WN RF/100 CL150
- 产品标准:HG/T21608-2012
- 管道材质:20#/PTFE,拉断阀/球阀材质:20#/PTFE,支撑结构:碳钢
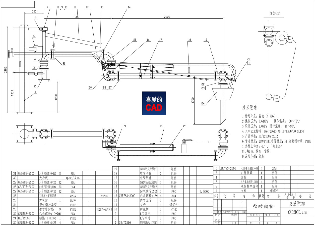
盐酸鹤管图纸预览:

图2 盐酸酸鹤管图纸预览
盐酸鹤管技术要求:
- 输送介质:盐酸
- 操作压力:0.64MPa 操作温度:-30~70℃
- 设计压力:1.0MPa 设计温度:-40~90℃
- 入口法兰标准:HG/T20615 WN RF DN80/50 CL150
- 产品标准:HG/T21608-2012
- 管道材质:20#/PTFE,垂管材质:PP,密封帽材质:PTFE
- 外臂上仰角:45°,下俯角35°
留言说明
如对本文有疑问,可关注微信公众号 科技大爆炸TheBigBang 直接留言即可。
手机扫描下方二维码直接关注 科技大爆炸TheBigBang。

也可以直接发邮件给我,我的邮箱18036678070@cad2d3d.com
转载请注明:
文章作者:尚延伟 原文链接:https://www.cad2d3d.com/post-2241.html




LNG槽车尾部管系实物图片大全,LNG运输车实物图,LNG罐车尾部管道实物图,LNG槽车铭牌实物图
本站所有资源一键获取,含3D模型、设计软件和案例视频等
1.3万套机械设备3D模型 机械工程师必备 2025年持续更新中
AutoCAD 2025 破解版+注册机 安装程序免费下载,附下载地址及安装教程
SolidWorks 2024 SP2.0 破解版免费下载及安装教程
科技从一颗螺丝钉开始,看似简单的螺丝钉,可惜有几个人用对了?
发那科机器人 FANUC 离线编程 动画仿真模拟软件 ROBOGUIDE V9 免费下载